| Sign In | Join Free | My chinalane.org |
|
Brand Name : TY
Model Number : TY0019C01
Certification : ISO/TS 16949: 2009
Place of Origin : CHINA
MOQ : 1000 PCS
Price : Negotiation
Payment Terms : T/T, Western Union
Supply Ability : 200,000 pcs per month
Delivery Time : 15 working days after payment
Packaging Details : Carton size: 390*315*235mm;Single carton volume: 0.029m3;Package quantity: 500Pcs/box; N.W: 21.5KG;G.W: 22.5KG
Product name : Spark plug connector / boilder connector
Standard : ISO 6856 / ISO 3808
Customers : BorgWarner, JANMOR etc.
Resistance : 5KΩ±20%
Type : Assembly parts
Withstand voltage : ≥30KV
Connecting Spark Plug and High Voltage Ignition Cable , Straight Connector with Stable Performance
1. Connector features:
2. Connector material properties:
| Shore-A hardness | 55±5A |
| Elongation at break | ≥300% |
| Tear strength | ≥15N/mm |
| Dielectric strength | ≥20KV/mm |
| Tensile strength | ≥6N/mm2 |
| Tensile deformation | ≤20% |
| Density | 1.17±0.02 g/cm3 |
| Withstand voltage 18KV for 30minutes | NO breakdown |
| Surface resistance | ≥1011Ω |
| Ageing resistance | 155±2.5℃X168h,Without any cracking |
3. Connector characteristics:
| Usage temperature | -20℃-155℃ |
| Breakdown voltage (AC) | ≥30KV |
| Insertion and removal forces | 20-70N |
| Overall length | 110±3mm |
| Resistance | 5KΩ±20% |
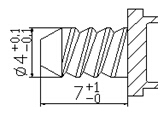
4. Connector dimensions:
| Cable entry diameter | 5.5±0.5mm |
| Assembly dimension: connecting cable |
|
| Plug entry diameter | 8.5±0.5mm |
| Assembly dimension: connecting spark plug | |
5. Applications:

|
|
Spark Plug Connection High Voltage Straight Ignition Cable Connectors TY0019C01 Images |